Описание
Характеристики
Отзывы
Описание
Представляем вам светодиодную сигнальную лампу AD - 22DS, предназначенную для использования в различных сферах, включая электромонтажные работы и аварийные ситуации. Эта лампа идеально подходит для установки в щитках и других местах, где необходимо обеспечить визуальное оповещение о состоянии оборудования или предупредить о возможной неисправности.
Данная светодиодная лампа характеризуется высокой яркостью и отличной видимостью, что делает её превосходным выбором для индикаторов аварийных сигналов. С ярким светом она способна привлечь внимание в любых условиях, что особенно важно для обеспечения безопасности. Лампа также устойчива к внешним воздействиям, так как имеет защиту соответствующую стандарту IP40.
Светодиодная технология обеспечивает долговечность и низкое энергопотребление, что делает данную лампу экономически выгодной для использования. Она легко монтируется в различных электроустановках и отлично подходит для применения как в промышленных, так и в бытовых условиях.
Установив эту лампочку аварийного сигнала в своем электрощитке, вы получите надежный и эффективный световой индикатор, который обеспечит безопасность и удобство в эксплуатации. Независимо от того, нужны ли вам коммутаторные лампы для контроля состояния оборудования или яркий индикатор зеленого цвета для оповещения о неисправностях, светодиодная сигнальная лампа AD - 22DS станет незаменимым элементом вашего электрооборудования.
Основные характеристики:
- Степень пыле-влагозащиты – IP40;
- Цвет переднего кольца – черный;
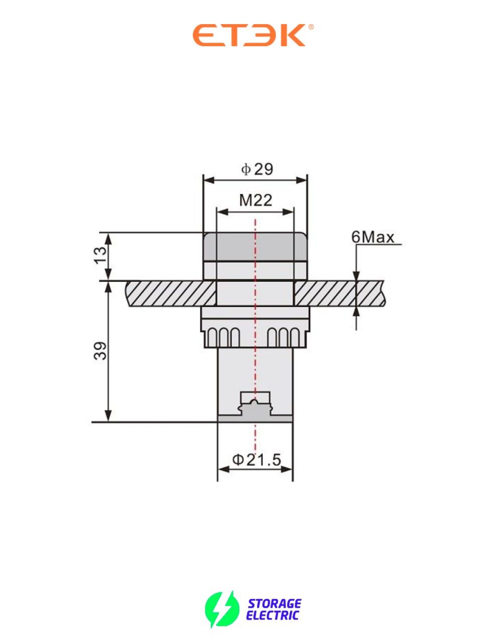
- Диаметр отверстий - 22 мм;
- Количество светодиодов – 2;
- Материал кольца – пластик;
- Конструкция линзы – круглая, плоская;
- Подключение - винтовое соединение.
Данная светодиодная лампа характеризуется высокой яркостью и отличной видимостью, что делает её превосходным выбором для индикаторов аварийных сигналов. С ярким светом она способна привлечь внимание в любых условиях, что особенно важно для обеспечения безопасности. Лампа также устойчива к внешним воздействиям, так как имеет защиту соответствующую стандарту IP40.
Светодиодная технология обеспечивает долговечность и низкое энергопотребление, что делает данную лампу экономически выгодной для использования. Она легко монтируется в различных электроустановках и отлично подходит для применения как в промышленных, так и в бытовых условиях.
Установив эту лампочку аварийного сигнала в своем электрощитке, вы получите надежный и эффективный световой индикатор, который обеспечит безопасность и удобство в эксплуатации. Независимо от того, нужны ли вам коммутаторные лампы для контроля состояния оборудования или яркий индикатор зеленого цвета для оповещения о неисправностях, светодиодная сигнальная лампа AD - 22DS станет незаменимым элементом вашего электрооборудования.
Основные характеристики:
- Степень пыле-влагозащиты – IP40;
- Цвет переднего кольца – черный;
- Диаметр отверстий - 22 мм;
- Количество светодиодов – 2;
- Материал кольца – пластик;
- Конструкция линзы – круглая, плоская;
- Подключение - винтовое соединение.
Характеристики
Бренд_85
ЕТЭК
#Хештеги
#сигнальнаялампа #сигнальныйсвет #индикация #промышленнаяэлектрика #светодиодный_свет #светодиодныйиндикатор #светодиоднаялампа #аварийныйсвет #аварийнаялампа #led_лампа #контрольоборудования #индикаторсветовой #световаяиндикация #сигнальноеоборудование #лампа220в #индикаторнаялампа #лампаэлектрическая #электрощитовоеоборудование #световая_сигнализация
Название группы
Светодиодные лампы
Количество полюсов
1
Номинальное напряжение, В
230
Длина, мм
53
Цвет товара
зеленый,
желтый,
красный
Страна-изготовитель
Китай
Единиц в одном товаре
3
Количество фаз
Однофазный
Номинальный ток, А
0.02
Класс защиты
IP40
Комплектация
Лампа светодиодная зеленая - 1 шт.
Лампа светодиодная желтая - 1 шт.
Лампа светодиодная красная - 1 шт.
Вес товара, г
60
Вес с упаковкой, г
60
Макс. напряжение, В
230
Гарантия
1 месяц
Макс. мощность, Вт
5
Количество товара в УЕИ
3
Все характеристики
Отзывы
Отзывов еще никто не оставлял
